100%
시험 미리보기
※ 창 좌우폭을 줄이시면 모바일 사이즈 응답창을 보실 수 있습니다
※ 문항 무작위화는 미리보기 화면에서 제공되지 않습니다.

해당 시험의 출처는 인사혁신처 사이버국가 고시 센터(https://www.gosi.kr/)에 있습니다.

사용 시 출처를 꼭 표기해주시기 바랍니다.

1

그림과 같이 O점에 작용하는 힘의 합력의 크기[kN]는?

1.PNG

2

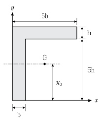
그림과 같은 단면에서 ​​​​​​​축으로부터 도심 G까지의 거리 는?

2.PNG

3

그림과 같이 빗금 친 도형의 축에 대한 회전 반지름[cm]은?


3.PNG

4

그림과 같이 하중을 받는 내민보의 지점 B에서 수직반력의 크기가 0일 때, 하중의 크기[kN]는? (단, 구조물의 자중은 무시한다)

4.PNG

5

그림과 같이 하중을 받는 캔틸레버보에서 B점의 수직변위의 크기는 이다. 상수 은? (단, 휨강성 EI는 일정하며, 구조물의 자중은 무시한다)

5.PNG

6

그림과 같이 하중을 받는 트러스 구조물에서 부재 CG의 부재력의 크기[kN]는? (단, 구조물의 자중은 무시한다)

6.PNG

7

그림과 같이 축방향 하중을 받는 합성 부재에서 C점의 수평변위의 크기[mm]는? (단, 부재에서 AC 구간과 BC 구간의 탄성계수는 각각 50GPa과 200GPa이고, 단면적은 500 으로 동일하며, 구조물의 좌굴 및 자중은 무시한다)

7.PNG

8

그림과 같이 양단이 고정된 수평부재에서 부재의 온도가 T만큼 상승하여 40MPa의 축방향 압축응력이 발생하였다. 상승한 온도 T[°C]는? (단, 부재의 열팽창계수 /°C, 탄성계수 E=200GPa이며, 구조물의 좌굴 및 자중은 무시한다)

8.PNG

9

그림 (a)와 같이 양단 힌지로 지지된 길이 5m 기둥의 오일러 좌굴하중이 360kN일 때, 그림 (b)와 같이 일단 고정 타단 자유인 길이 3m 기둥의 오일러 좌굴하중[kN]은? (단, 두 기둥의 단면은 동일하고, 탄성계수는 같으며, 구조물의 자중은 무시한다)

9.PNG

10

그림과 같이 하중을 받는 부정정 구조물의 지점 A에서 모멘트 반력의 크기[kNㆍm]는? (단, 휨강성 EI는 일정하고, 구조물의 자중 및 축방향 변형은 무시한다)

10.PNG

11

그림 (a), 그림 (b)와 같이 원형단면을 가지고 인장하중 P를 받는 부재의 인장변형률이 각각 일 때, 인장변형률 에 대한 인장변형률 의 비 /는? (단, 그림 (a) 부재와 그림 (b) 부재의 길이는 각각 L과 2L, 지름은 각각 d와 2d이고, 두 부재는 동일한 재료로 만들어졌으며, 구조물의 자중은 무시한다)

11.PNG

12

그림과 같은 전단력선도를 가지는 단순보 AB에서 최대 휨모멘트의 크기[kNㆍm]는? (단, 구조물의 자중은 무시한다)

12.PNG

13

그림 (a)와 같이 하중을 받는 단순보의 휨모멘트선도가 그림 (b)와 같을 때, E점에 작용하는 하중 P의 크기[kN]는? (단, 구조물의 자중은 무시한다)

13.PNG

14

그림과 같이 폭 100mm, 높이가 200mm의 직사각형 단면을 갖는 단순보의 허용 휨응력이 6MPa이라면, 단순보에 작용시킬 수 있는 최대 집중하중 P의 크기[kN]는? (단, 휨강성 EI는 일정하고, 구조물의 자중은 무시한다)

14.PNG

15

균질한 등방성 탄성체에서 탄성계수는 240GPa, 포아송비는 0.2일 때, 전단탄성계수[GPa]는?

16

그림과 같이 하중을 받는 게르버보에 발생하는 최대 휨모멘트의 크기[kNㆍm]는? (단, 휨강성 EI는 일정하고, 구조물의 자중은 무시한다)

16.PNG

17

그림과 같이 하중을 받는 내민보에서 C점의 수직변위의 크기는 이다. 상수 은? (단, 휨강성 EI는 일정하고, 구조물의 자중은 무시한다)

17.PNG

18

그림과 같은 평면응력 상태의 미소 요소에서 최대 주응력의 크기[MPa]는?

18.PNG

19

그림과 같이 하중을 받는 캔틸레버보의 지점 A에서 모멘트 반력의 크기가 0일 때, 하중 P의 크기[kN]는? (단, 구조물의 자중은 무시한다)

19.PNG

20

그림과 같이 C점에 내부힌지를 가지는 구조물의 지점 B에서 수직반력의 크기[kN]는? (단, 구조물의 자중은 무시한다)

20.PNG

다른 브라우저를 사용해 보세요.

현재 접속하신 브라우저는 지원하지 않는 브라우저입니다. 아래 브라우저의 최신 버전을 이용해 주시기 바랍니다.
아래의 아이콘을 클릭하면 해당 브라우저의 설치 화면으로 이동합니다.